D341X中线法兰式蜗轮软密封蝶阀
D341X中线法兰式蜗轮软密封蝶阀是用蜗轮式启闭件往复回转90°左右来开启、关闭和调节流体通道的一种阀门。
产品介绍

型号:D341X口径(DN):40~1400(mm)压力(PN):1.0~1.6(Mpa)产品价格:电议日期:14-10-11浏览:307次
蝶阀概述
D341X中线法兰式蜗轮软密封蝶阀是用蜗轮式启闭件往复回转90°左右来开启、关闭和调节流体通道的一种阀门。
蝶阀不仅结构简单、体积小、重里轻、材料耗用省,安装尺寸小,而且驱动力矩小,操作简便、迅速,并且还可同时具有良好的流量调节功能和关闭密封特性,是近 十几年来发展最快的阀门品种之一。特别是在美、日、德,法、意等工业发达国家,蝶阀的使用非常广泛,其使用的品种和数量仍在继续扩大,并向高温、高压、大 口径、高密封性、长寿命、优良的调节特性以及一阀多功能方向发展,其可靠性及其他性能指标均达较高水平,并已部分取代截止阀、闸阀和球阀。随着蝶阀技术的 进步,在可以预见的短时间内,特别是在大中型口径、中低压力的使用领域,蝶阀将会成为主导的阀门形式。
软密封蝶阀用途及特点
软密封蝶阀适用于食品、医药、化工、石油、电力、冶金、城建、轻纺、造纸等给排水、气体管道上作调节流量和截流介质的作用,其主要特点为:
1、设计新颖、合理,结构独特,重量轻,启闭迅速。
2、操作力矩小,操作方便,省力炅巧。
3、可以任何位置安装,维修方便。
4、密封件可以更换,密封性能可靠,达到双向密封零泄漏。
5、密封材料耐老化,耐腐蚀,使用寿命长等特点。
6、结构简单,通用互换性好,价格低廉。
7、阀杆密封不易变形从而避免了通常的阀杆泄漏现象。整体支撑性好,稳定、牢固。
8、阀座橡胶用量少,膨胀的潜在影响小,容易将扭矩值控制在适当的范围内采用两截式阀杆无销连接,结构简单紧凑,维修拆卸极为方便。
9、蝶板具有自动对中功能,实现了蝶板与阀座小过盈合量配合。酚醛靠背座具有不脱落、抗拉、防泄漏、更换方便等特点。由于阀座密封面与靠背为一体,从而减小了阀座的变形量。
软密封蝶阀型号编制说明
D341X中线法兰式蜗轮软密封蝶阀型号编制说明 | ||||||
阀门类型 | 传动方式 | 连接形式 | 结构形式 | 密封材质 | 公称压力 | 阀体材质 |
D:蝶阀 | 3:蜗轮 | 4:法兰式 | 1:中线 | X:橡胶 | -10:PN1.0MPa | Z:灰铸铁 |
釆用标准
D341X中线法兰式蜗轮软密封蝶阀釆用标准 | |
设计标准 | GB/T12238-2008、ISO 10631-1994 或BS EN593-1998、BS5155、MSS SP-67 |
法兰连接 | GB/T17241.6-2008、JIS B2212-B2214-1999,JIS B2220-2004、JIS B2210-1984、 ANSI B 16.5-2009, ANSI B 16.47-2006、ISO 7005-2 或BS EN 1092-2002(PN6、PN10、PN16、 Class 125、 Class150、5K、10K、 16K) |
结构长度 | GB/T12221 -2005、IS0 5752-1988SBSEN558-1 |
压力试验 | GB/T13927-2008、JB/T9092-1999、ISO 5028-1993或BS 5755-1-1986 |
顶法兰 | 符合IS05211等标准 |
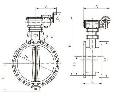
主要外形尺寸
D341X中线法兰式蜗轮软密封蝶阀主要外形尺寸(mm) | ||||||||
公称通径 | 外径 | 中心距 | 螺栓孔数 | 结构长 | 总高 | 底座高 | 蜗杆长 | 蜗轮宽 |
40 | 150 | 110 | 4-19 | 106 | 306 | 68 | 160 | 125 |
50 | 165 | 125 | 4-19 | 108 | 306 | 68 | 160 | 125 |
65 | 185 | 145 | 4-19 | 112 | 321 | 75 | 160 | 125 |
80 | 200 | 160 | 8-19 | 114 | 346 | 85 | 160 | 125 |
100 | 220 | 180 | 8-19 | 127 | 386 | 105 | 160 | 125 |
125 | 250 | 210 | 8-19 | 140 | 411 | 120 | 160 | 125 |
150 | 285 | 240 | 8-23 | 140 | 446 | 135 | 160 | 125 |
200 | 340 | 295 | 8-23 | 152 | 570 | 165 | 210 | 165 |
250 | 395 | 350 | 12-23 | 165 | 646 | 206 | 210 | 165 |
300 | 445 | 400 | 12-23 | 178 | 738 | 230 | 210 | 175 |
350 | 505 | 460 | 16-23 | 190 | 761 | 248 | 210 | 175 |
400 | 565 | 515 | 16-28 | 216 | 877 | 289 | 270 | 440 |
450 | 615 | 565 | 20-28 | 222 | 938 | 320 | 270 | 440 |
500 | 670 | 620 | 20-28 | 229 | 993 | 343 | 270 | 440 |
600 | 780 | 725 | 20-31 | 267 | 1131 | 413 | 300 | 535 |
700 | 895 | 840 | 24-31 | 292 | 1476 | 478 | 360 | 615 |
800 | 1015 | 950 | 24-34 | 318 | 1533 | 525 | 360 | 615 |
900 | 1115 | 1050 | 28-34 | 330 | 1655 | 585 | 380 | 700 |
1000 | 1230 | 1160 | 28-37 | 410 | 1765 | 640 | 380 | 700 |
1200 | 1455 | 1380 | 32-40 | 470 | 1995 | 755 | 450 | 990 |
1400 | 1675 | 1590 | 36-43 | 530 | 2618 | 920 | 653 | 1272 |
中线蝶阀的密封原理
中线蝶阀的密封原理为阀板加工时保证其密封面具有合适的表面粗糙度值,合成橡胶阀座在模压成形时形成密封面合适的表面粗糙度值。阀门关闭时.通过阀板的转动,阀板的外圆密封面挤压合成橡晈阀座,使合成橡胶阀座产生弹性变形而形成弹性力作为密封比压保证阀门的密封。
蝶阀所适用的场合
蝶阀适用于流量调节。由于蝶阀在管路中的压力损失比较大,大约是闸阀的三倍,因此在选择蝶阀时,应充分考虑管路系统受压力损失的影晌,还应考虑关闭时蝶板承受管道介质压力的坚固性。此外,还必须考虑在髙温下弹性阀座材料所承受工作温度的限制。
蝶阀的结构长度和总体高度较小,开启和关闭速度快,且具有良好的流体控制特性,蝶阀的结构原理最适合于制作大口径阀门。当要求蝶阀作控制流量使用时,最重要的是正确选择蝶阀的尺寸和类型,使之能恰当地、有效地工作。
通常,在节流、调节控制与泥浆介质中,要求结构长度短,启闭速度快(1/4转)。低压截止(压差小),推荐选用蝶阀。
在双位调节、缩口的通道、低噪声、有气穴和气化现象,向大气少量渗漏,具有磨蚀性介质时,可以选用蝶阀。
在特殊工况条件下节流调节,或要求密封严格,或磨损严重、低温(深冷)等工况条件下使用蝶阀时,需使用特殊设计金属密封带调节装置的三偏心或双偏心的专用蝶阀。
中线蝶阀适用于要求达到完全密封、气体试验泄漏为零、寿命要求较高、工作温度在-10~150℃的淡水、污水、海水、盐水、蒸汽、天然气、食品、药品、油品和各种酸臧及其他管路上。
软密封偏心蝶阀适用于通风除尘管路的双向启闭及调节,广泛用于冶金、轻工、电力、石油化工系统的煤气管道及水道等。
金属对金属线密封双偏心蝶阀适用于城市供热、供汽、供水及煤气、油品、酸碱等管路,作为调节和截流装置。
金属对金属面密封三偏心蝶阀除作为大型变压吸附(PSA)气体分离装置程序控制阀使用外,还可广泛用于石油、石化、化工、冶金、电力等领域,是闸阀、截止阀等的良好替代产品。
产品外形尺寸图

蝶阀的选用原则
(1)由于蝶阀相对于闸阀、球阀压力损失比较大,故适用于压力损失要求不严的管路系统中。
(2)由于蝶阀可以用作流量调节,故在需要进行流童调节的管路中宜于选用。
(3)由于蝶阀的结构和密封材料的限制,不宜用于髙温、高压的管路系统。一般工作温度在300℃以下,公称压力在PN40以下。
(4)由于蝶阀结构长度比较短,且又可以做成大口径,故在结构长度要求短的场合或是大口径阀门(如DN1000以上),宜选用蝶阀。
(5)由于蝶阀仅旋转就能开启或关闭,因此在启闭要求快的场合宜选用蝶阀。
安装注事事项
1、安装前应核对蝶阀规格、压力、温度、耐腐性是否满足使用要求。 应检查各零部件是否损坏或松动。
2、本蝶阀可安装在任意角度的管道上,应关闭安装为宜;焊接管道法兰时应将阀门密封口用板挡住以防止颗粒、杂物挫伤密封面,焊后取下 阀门,对阀门密封面及管道内腔进行清洁,然后再安装固定阀门。
3、安装时请注意阀门关闭状态承压方向。
4、安装前应将密封面(两端密封面、蝶板密封面、阀座密封面)彻底擦干净,去掉灰尘和污物。
5、安装前应空试蝶阀,启闭应灵活,启闭位置与指针指示位置相符合。
6、手动操作顺时针为关,逆时针为开,指针指示到位后不准再加力启闭阀门。
7、阀门做压力试验时,不准用单法兰进行安装试压,必须采用双法兰安装试压。其试验压力应符合GB/T13927-92标准规定。
8、紧固螺栓时应对称交替进行紧固,不准依次单独紧固。
9、限位螺钉出厂前,已经调好,不准轻易调整。若配置驱动装置为电动、气动请阅配套驱动装置说明书。
10、电动蝶阀出厂时已将控制机构的启闭行程调好。为防止电源接通时方向搞错,用户在第一次接通电源前要先手动开启至半开位置,再按点动开关,检查指示盘方向与阀门开启方向一致即可。
11、发现阀门启闭失常应查明原因进行修理和排除,防止用加力方法开关阀门,造成阀门的损坏。
声明:本文中所有文字、数据、图片均只适用于参考,D341X中线法兰式蜗轮软密封蝶阀性能参数、结构尺寸参数、价格等详情,请联系我们
|
||||||||||||||||||||||||
![]() |
||||||||||||||||||||||||
| ||||||||||||||||||||||||










