D71J手柄对夹全衬胶蝶阀
采用带有橡胶密封表面和橡胶包衬蝶板,保证阀轴不与腔内流体介质接触,严密的密封性能,超长的使用寿命,可作快速切断或调节流量之用,适用于要求可靠密封和良好调节特性的场合。
产品概述
D71J手柄对夹全衬胶蝶阀的阀轴的密封由蝶板与阀座之间的旋转面加橡胶来控制,采用带有橡胶密封表面和橡胶包衬蝶板,保证阀轴不与腔内流体介质接触,严密的密封性能,超长的使用寿命,可作快速切断或调节流量之用,适用于要求可靠密封和良好调节特性的场合。
主要特点
1. 软密封,低扭矩,流量大;
2. 密封表面和蝶板为橡胶包衬,保证阀轴不与腔内流体介质接触更耐腐蚀;
3. 阀座镶在有弹性条的阀体的槽内;
4. 轴头、蝶板园周连接处的特殊过渡曲线与阀座的合理过盈; 具有双向密封功能,绝对保证了阀门内、外的零泄漏;
检验与标准
测试衬里层:电火花检测
试验与检验按GB/T13927标准
公称压力:PN(MPa)
阀体:PN×1.5
密封:PN×1.1
设计与制造:GB12238
结构长度:GB12221(20系列)
法兰连接尺寸:GB4216
主要用途
| 密封圈材料代号 | 适用温度 | 适用介质 |
| NR | ≤85℃ | 水、空气、酸碱类 |
| CR | ≤85℃ | 水、煤气、酸碱类 |
| NBR | ≤100℃ | 水、油品 |
| EPDM | ≤120℃ | 水、蒸汽、一般酸碱类 |
| FKM | ≤150℃ | 水、蒸汽、强酸碱类 |
零部件材料
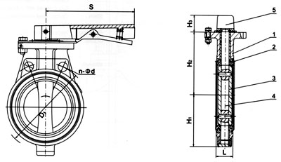
| 1 | 阀体 | 铸铁、球墨铸铁、碳钢、不锈钢 |
| 2 | 蝶板 | 铸铁、球墨铸铁、碳钢、不锈钢、碳钢完全包覆橡胶或氟塑料 |
| 3 | 阀杆 | 碳钢镀镍磷、不锈钢 |
| 4 | 阀座密封圈 | 天然胶NR、氯丁胶CR、丁腈胶NBR、三元乙丙胶EPDM、氟橡胶FKM |
| 5 | 手柄 | 铝合金、碳钢 |
连接尺寸

| 公称通径 DN | 公称压力 MPa | 工作压力 MPa | L | D | D1 | n-Φd | H1 | H2 | S | H3 | 质量 |
| 40 | 1.6 1.0 | 1.6 1.0 | 33 | 150 | 110 | 4-18 | 55 | 100 | 235 | 27 | 2 |
| 50 | 43 | 165 | 125 | 4-18 | 64 | 120 | 235 | 27 | 2.5 | ||
| 65 | 46 | 185 | 145 | 4-18 | 80 | 120 | 235 | 27 | 4.5 | ||
| 80 | 46 | 200 | 160 | 8-18 | 112 | 130 | 265 | 27 | 5.5 | ||
| 100 | 52 | 220 | 180 | 8-18 | 90 | 145 | 265 | 27 | 6.5 | ||
| 125 | 56 | 250 | 210 | 8-18 | 112 | 160 | 365 | 32 | 11.5 | ||
| 150 | 56 | 285 | 240 | 8-22 | 135 | 175 | 365 | 32 | 13.5 |
|
||||||||||||||||||||||||
![]() |
||||||||||||||||||||||||
| ||||||||||||||||||||||||










