气动方球阀
气动方球阀/消防球阀主要用于输送水、泡沫混合液及其他液体灭火剂,介质温度为-40℃~+70℃范围内。主要安装在消防灭火的各种管路上(如:消防车、消防管路供水系统等)。
产品概述
气动方球阀/消防球阀主要用于输送水、泡沫混合液及其他液体灭火剂,介质温度为-40℃~+70℃范围内。主要安装在消防灭火的各种管路上(如:消防车、消防管路供水系统等)。
产品执行标准:ga 79-94
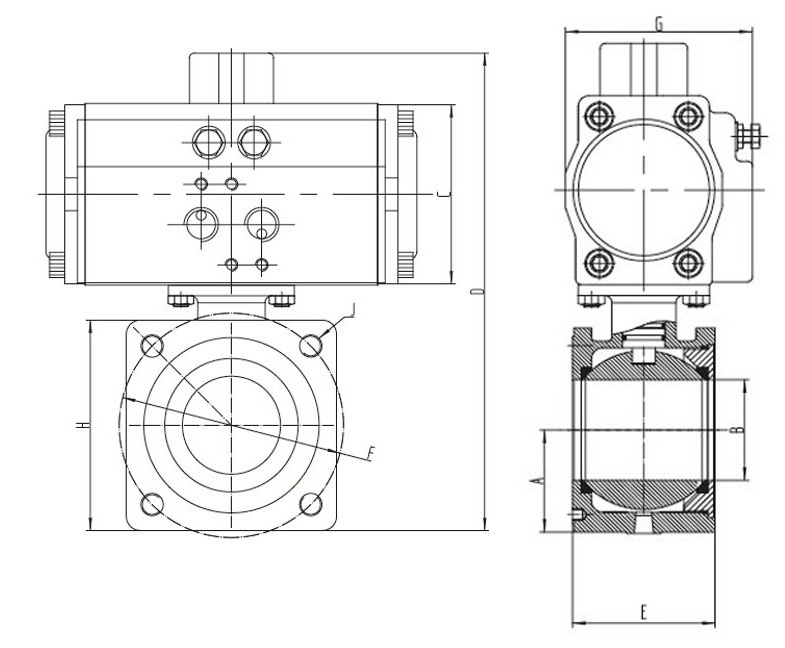
气动方球阀主要用铸铁、不锈钢、聚四氟乙烯等加工而成。主要结构及连接尺寸如下图及表

| 口径 | A | B | C | D | E | F | G | H | J | K | H1 | L |
| DN40 | 41.5 | 40 | 103 | 240 | 90 | 85 | 96 | 83 | 4-M8 | 193 | 208 | 162 |
| DN50 | 52 | 47 | 103 | 243 | 79 | 108 | 96 | 100 | 4-M10 | 193 | 208 | 162 |
| DN65 | 65 | 60 | 116 | 300 | 85 | 138 | 109 | 128 | 4-M12 | 220 | 236 | 162 |
| DN80 | 70 | 70 | 128 | 310 | 105 | 160 | 113 | 140 | 4-M12 | 220 | 275 | 208 |
| DN100 | 112.5 | 88 | 128 | 254 | 123 | 180 | 113 | 220 | 8-M12 | 233 | 373 | 258 |
安装注事事项
1、安装前应核对蝶阀规格、压力、温度、耐腐性是否满足使用要求。 应检查各零部件是否损坏或松动。
2、本气动方球阀可安装在任意角度的管道上,应关闭安装为宜;焊接管道法兰时应将阀门密封口用板挡住以防止颗粒、杂物挫伤密封面,焊后取下阀门,对阀门密封面及管道内腔进行清洁,然后再安装固定阀门。
3、安装时请注意阀门关闭状态承压方向。
4、安装前应将密封面(两端密封面、蝶板密封面、阀座密封面)彻底擦干净,去掉灰尘和污物。
5、安装前应空试蝶阀,启闭应灵活,启闭位置与指针指示位置相符合。
6、手动操作顺时针为关,逆时针为开,指针指示到位后不准再加力启闭阀门。
7、阀门做压力试验时,不准用单法兰进行安装试压,必须采用双法兰安装试压。其试验压力应符合GB/T13927-92标准规定。
8、紧固螺栓时应对称交替进行紧固,不准依次单独紧固。
9、限位螺钉出厂前,已经调好,不准轻易调整。若配置驱动装置为电动、气动请阅配套驱动装置说明书。
10、气动方球阀出厂时已将控制机构的启闭行程调好。通电时应检查指示盘方向与阀门开启方向一致即可。
11、发现阀门启闭失常应查明原因进行修理和排除,防止用加力方法开关阀门,造成阀门的损坏。
|
||||||||||||||||||||||||
![]() |
||||||||||||||||||||||||
| ||||||||||||||||||||||||










